1. (a) At what frequency will the main current i be in phase with the voltage V ?
(b) If V=200 Volts what will be the value of i at the frequency you calculated in (a) ?

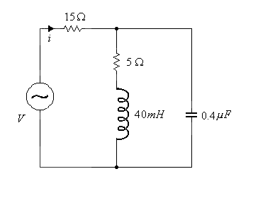
2. (a) At what frequency will the main current i be in phase with the voltage V ?
(b) If V=150 Volts what will be the value of i at the frequency you calculated in (a) ?

3. (a) Find i for 50Hz and 100Hz and give the power factor in both cases
(b) Find
for the 100Hz case only
