EL10A TUTORIAL #4   Saturday, 29 March 2003

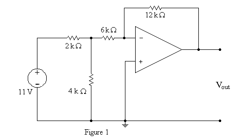
1. Find Vout

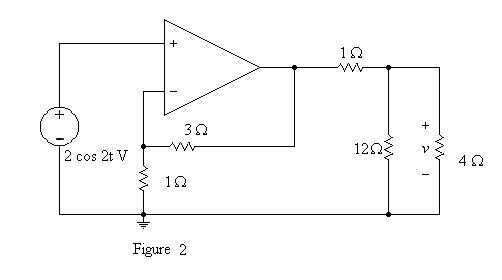
2. Find v

3. Find i

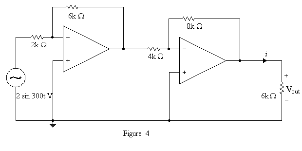
4. Find Vout and i